13/11/2012

Rittmeyer AG

Rittmeyer specializes in hydroelectric power installations

brugg-rittmeyer

Rittmeyer AG: Efficiency through all stages of the process

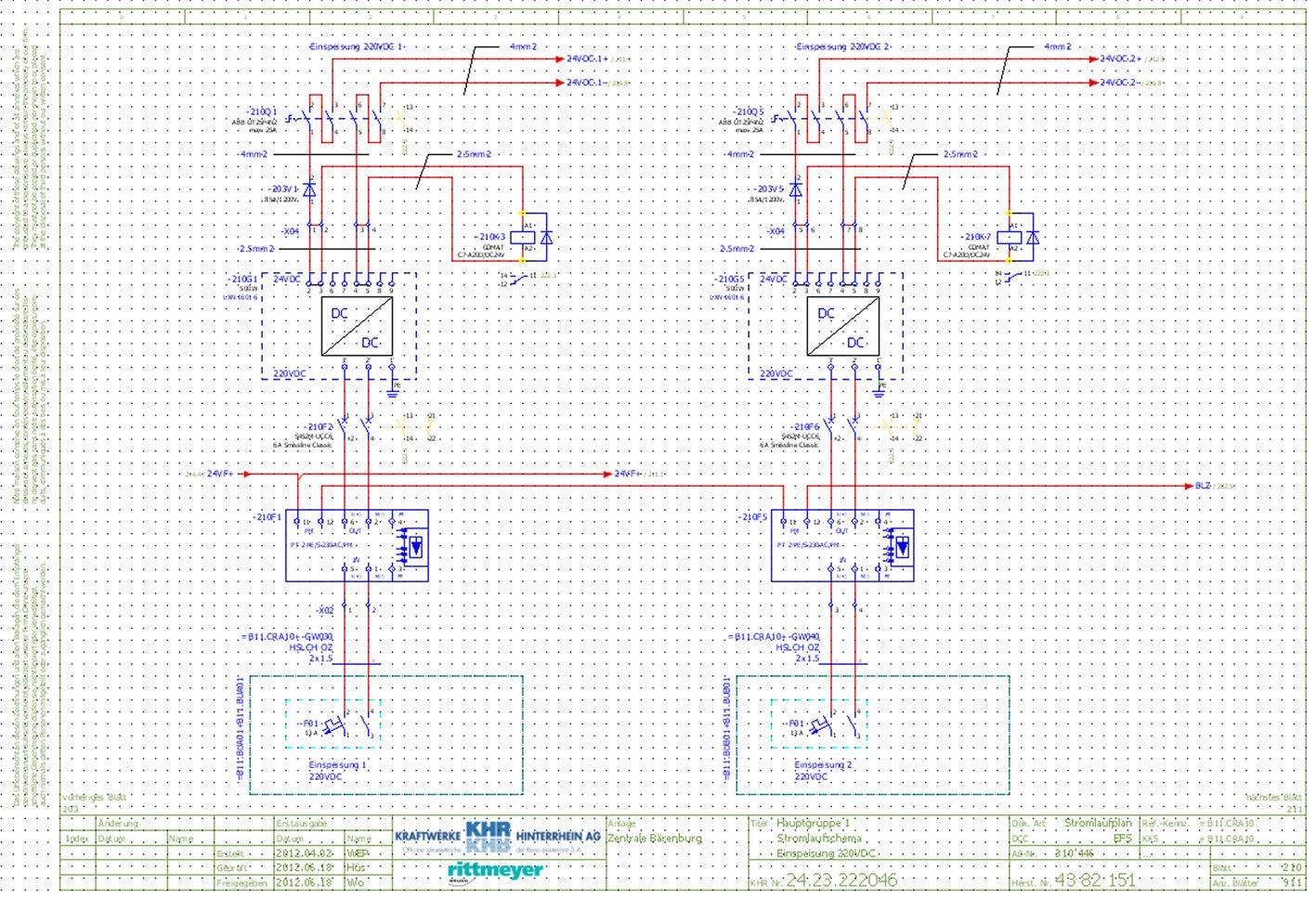
Rittmeyer AG is the first company you should turn to for automation, instrumentation and control systems for hydroelectric power installations. One of the largest projects that the specialist based in Baar, in the Swiss canton of Zug, has ever handled is the equipment of the Kraftwerkverbund Hinterrhein with modern and consistent instrumentation and control systems. Rittmeyer's engineers handle the complex diagrams and control cabinet designs with the Electric P8 E-CAD solution by Eplan.

The company has grown on the strength of its metering technology, drawing on one hundred years of tradition and experience. Rittmeyer specializes in industry-specific solutions in instrumentation and control for water supply, waste water and environmental technology and hydroelectric generation. The company, which has become part of the Brugg Group, has 330 employees working in Switzerland, Germany, Austria, Italy, France and Croatia; two thirds of whom work at the headquarters in Baar. Rittmeyer's reputation as a partner for economical, efficient and reliable solutions is based not least on its own development of instrumentation and control technology such as the RIFLEX automation and remote control system and the RITOP process control system, which it deploys in these industries. 

Unhurried and on time – even in the most complex projects

Large-scale projects such as this Hinterrhein project are not a day-to-day challenge, even for the experienced specialists working for Rittmeyer. The project was set up to connect four locations, each with a number of turbines, the Thusis power station and the three control centres at Bärenburg, Ferrera and Sils with four redundant server systems to create a distributed server system. The power station union comprises a total of twenty production units consisting of turbines, generators, auxiliary and control systems. An average of ten control cabinets with various systems had to be designed and built for each unit. 

A lot of work for the team was headed by Martin Wolf, Head of project engineering in the hydroelectric power stations division: The drawing sets for the various units are up to 700 pages long, containing all the details right down to single-pole diagrams. Thirty sets of drawings of various sizes have been finished so far, about a third of the total requirement; the first 50 of a total of about 200 control cabinets have also already been designed and built. “Thanks to Eplan we are very relaxed about this project and are well within our deadline,” confirmed Martin Wolf – not a matter of course in an industry that operates under enormous cost and time pressures. His engineers have been working with Eplan Electric P8 for a good year now; “a quantum leap by comparison with the previous tool,” says the engineer who, as the project manager, was also responsible for its introduction in the company. 

Migration to a modern ECAD tool had been on the agenda at Rittmeyer for some time; the fact that the decision for Eplan Electric P8 was finally taken at the end of 2010 was not only a consequence of the Eplan Platform's wide penetration in the industry and the experiences of Austrian and German colleagues in the company; but also because the company had won the Hinterrhein project, which would demand maximum output in diagram drawing. 

kraftwerk-hinterrhein-rittmeyer
Complex large-scale project: The full renovation of Kraftwerk Hinterrhein AG's installations will run until 2017

Avoiding handover losses and duplicated work

Rittmeyer has 35 engineers working in the Hydroelectric power station division – in electrical engineering and hardware design, and also in servicing and maintenance directly at the customer's site. Thanks to the thorough and intensive support offered by Eplan, the basic roll-out of the customized new ECAD platform went without a hitch in all areas; “in a very short space of time, after three to four months, we were operational and fully ready for action for engineering with Eplan Electric P8”, confirms Martin Wolf. 

For the departmental head, flexibility and consistency are the decisive requirements for a modern electrical engineering tool: the things that count are minimizing handover losses at the interfaces in the working process and the avoidance of duplicated work, superfluous and redundant activity; our labour hours are expensive and must, therefore, be deployed as effectively as possible for us to remain competitive. 

martin-wolf-rittmeyer
Martin Wolf, Head of project engineering in Rittmeyer AG's Hydroelectric power station division: “A quantum leap by comparison with the previous tool”

Data consistency creates efficiency

Efficient working thanks to consistent data management and standard processing through all the stages in the process, from preliminary planning to documentation and handover is thus a decisive strength in the deployment of Eplan Electric P8 as far as Martin Wolf is concerned: the set of diagrams prepared by the hardware engineers is passed to production preparation who, use the parts lists generated automatically by Eplan – “we never had this before to this quality” –, they can determine immediately, without having to do time-consuming manual searches, what is available from the stores, and what needs to be ordered.

In principle, it is also possible with Eplan to have the materials ordering run fully automatically; the Workflow optimization project is still running as we speak “there is tremendous potential here, there is still more for us to find”. Production itself works with the PDF printouts of the lists and circuit drawings prepared from Eplan which it can draw down directly from the network. “Paper drawings are used only to make amendments and to check off the steps that have been completed”, says Martin Wolf describing further progress in the process.This would be used by quality inspection; it is, however, conceivable that in future this step, too, will also be run paper-free on the screen. 

electric-p8-rittmeyer

Fault-free automatic generation

Scheduling, circuit diagrams and cabling plans can be generated automatically through Eplan – an important plus point for Martin Wolf: this does not only increase the speed of the process, but also enhances quality, as transmission errors are prevented. Cross-references and allocation lists work “one hundred percent”, confirmed the Project manager. Further benefit: Signal outputs and interfaces to the software can also be created automatically – Rittmeyer needs just this flexibility: “We buy in controller hardware and program it with our own software solutions, and the automatic generation of the interfaces is a great help in ensuring error-free configuration of the interfaces” explains Martin Wolf. 

To do this, P8 accesses a signal list in Excel developed in conjunction with Eplan; “all we had to do to set this up was to adapt to our needs a basic module for data import and export that was already present on the Eplan Platform”. The one-hundred percent data consistency of the Eplan Platform is an invaluable benefit in particular for a company like Rittmeyer which has numerous different component suppliers, but as the integrator and single point of contact for the customer it is responsible for the punctual commissioning and smooth running of the project: each component needs to be only created once in the system; although initially there is more work, the component data is available to be reused in all tasks without having to be created again. Martin Wolf is therefore particularly taken by this device concept: “We can download component data directly from the Eplan Data Portal into our Eplan databases and need only adapt it slightly for our own graphical representation; this is a very powerful function that I do not see in other systems.”

control-cabinets-at-rittmeyer
On schedule with Eplan: 50 of some 200 control cabinets have already been designed and built

“Relying on the right tool”

The effort of creating the component libraries is especially worthwhile for a company that has a particular range of resources: “Twenty people work with Eplan over all three business divisions; it's well worth it for large departments such as ours”, says Martin Wolf. P8 is now fully up and running at Rittmeyer and it is the principal tool in electrical engineering; the old system will be used only to finish off old projects or to make minor amendments to old projects. 

Although other tools are also used alongside it, as the customers have previously specified what ECAD tool was to be used when awarding the project, it has become the tool of choice in the power station sector in particular, says Martin Wolf. Where the designers are free to make the decision, Eplan always comes first as the best, most efficient and most comprehensive system: “Eplan Electric P8 has meant a huge leap forward for us; we are certain we have put our faith in the right tool”.

diagram-drawing-rittmeyer
Modern instrumentation and control technology for the Kraftwerksverbund Hinterrhein: distributed server system with four sites and twenty production units requires maximum productivity in diagram drawing