18/07/2022

Sto SE & Co. KGaA

Integrated Designing and Efficient Operation for Climate-Friendly Construction Chemistry

pipes-sto

Sto SE: P&I, fluid power designs and electrical engineering – all integrated

The real-estate sector is booming – fuelling not only a thriving building industry and trades, but growth in the construction chemistry sector as well. With its paints and varnishes, coating systems and thermal insulation, the long-established company Sto offers what the industry urgently needs. Yet growing demand was pushing the company’s production at its headquarters in Baden-Württemberg to the limits of its capacities. To retrofit one of its production plants, Sto decided to use Eplan engineering solutions – and now needs just half the time previously required for maintenance and regular adjustments to its process engineering.

The village of Stühlingen is dotted with yellow. Whether in gardens, on balconies or in garages – wherever you turn in this small German town in Baden-Württemberg, you can’t help but notice the bright yellow buckets being used for housework and garden chores. The reason you see so many of them here is explained by the three letters emblazoned in high-contrast black lettering on the 15-litre containers: Sto, a company whose headquarters are here in Stühlingen, just across the river from Switzerland.

Founded from a lime works by the Stotmeister family, from which the name “Sto” is derived, today the manufacturer is known throughout the world for its paints, plasters, varnishes, coatings and thermal-insulation composite systems. Sto invests a great deal in research and development to lessen the climate impact of its products. Goals include sustainable raw materials and easy recyclability for its insulation systems, as well as safe production that is as energy-efficient and resource-efficient as possible.

Searching for more flexibility and better performance

Sto’s most recent efforts to improve the efficiency and performance of its manufacturing have focused on the “Production 3,” a high-performance plant that contributes the greatest amount of tonnage to the total throughput at its Stühlingen location. Built in 1980, the plant underwent a retrofit just ten years later that introduced process automation to the production lines, a step that was forward-looking for the 1990s. “This worked outstandingly for a very long time,” says Sto employee Joachim Hauschel, who is responsible for plant planning and automation in Stühlingen and is the company’s point person for all things Eplan.

However, over the years the problems began to mount: it became increasingly difficult to get spare parts for the instrumentation and control (I&C) components, and the growing product portfolio also proved to be a manufacturing challenge. “That’s because our plant systems are continually evolving,” Hauschel says. “Every time a new product is developed in the laboratory and brought to market, we have to make room in the tank farm for new raw materials, or increase capacities, or lay new piping, for example.” The constantly increasing scope of process engineering also pushed the aging process control systems to their limits, he explained: “We simply didn’t have any more available interfaces, everything was already in use.”

In 2019, a comprehensive expansion to update the production capacities and automation systems finally became unavoidable. As part of this project, Hauschel and his co-workers on the planning and automation team wanted to remove another obstacle: “We had already used Eplan to depict the existing electrical designs of the plant. Yet the entire piping and instrument flow diagram existed only on paper or in Excel files – and only very inadequately, because it was never updated when changes were made.”

The plant personnel regularly dealt with the consequences of this when maintenance activities or process adjustments were required. The piping systems in question often had to be mapped out on location. “I walked some of the stretches of piping five times – coming up with five different results,” says Hauschel, remembering the tedious work. “You can always easily overlook some junction.”

sto-production-plant-system
Sto's production plant system in Stühlingen with a view of the raw material receiving area and the silo tower. © Sto

An integrated platform as central database

To maintain a dependable database, which would make work easier for the company’s staff and provide a complete depiction of the actual and target state of production for the control system manufacturer hired for the retrofit, Hauschel added the complete digital piping and instrumentation (P&I) diagrams to the specifications in addition to the electrical schematics. “We were looking for a uniform platform that could provide everything for us from a single source,” Hauschel says.

Their search quickly led them to the Eplan Platform, which offers an up-to-date technical foundation for modern engineering that enables digitalisation for all industrial fields. Eplan Electric P8 is the best-in-class solution for creating circuit diagrams and schematics, automatically generating detailed analyses as an integral part of the project documentation. Eplan Preplanning allows engineering data to be collected digitally throughout all planning and design phases – from the electrical engineering to fluid power systems and P&I through to the electrical I&C technology – and prepares it in such a way that it can also be used for commissioning, operations and even maintenance.

“We were familiar with the concept of preplanning, but not with the system’s functions and performance,” Hauschel says. The team responsible at Sto became more familiar with the tool during a tour of a representative plant system. However, what really tipped the scales was a service provider that Hauschel knew from earlier projects and workshops, Kaltschmid Industrial Engineering, which completely relies on Eplan for its electrical engineering and all other engineering processes. “In conversations with CEO Ronny Kaltschmid about our plans for the retrofit, I quickly recognised his extensive expertise with all the Eplan tools,” Hauschel says. Kaltschmid thus proved to be the perfect link in the joint preparation of the process engineering plans for retrofitting the plant systems in preplanning.

sto-team
Joachim Hauschel (Sto), Klaus Lechtenbörger (Eplan) and Ronny Kaltschmid (Kaltschmid Industrial Engineering – from left to right) are pleased that the charming yellow Sto buckets can be filled even more efficiently thanks to the engineering solutions from Eplan. © Sto

Integrated pneumatics design and documentation

“Preplanning allowed us to begin collecting engineering data during the preliminary planning phase – a benefit that proved to be ideal for the project with Sto,” Kaltschmid says, describing the system’s advantages. The integrated functionality also helped them keep to the tight schedule required for the conversion and retrofit. “We knew that we had to be finished with the designs by the end of 2018 so that the control systems manufacturer could start its work,” Hauschel says.

Despite the time pressure, Kaltschmid recommended also including fluid power technology as a third discipline of the integrated digital planning and design involved in the retrofit. This made sense because all of the butterfly valves in Sto’s production facilities are controlled with pneumatic actuators. “Electrical engineering designs that also include fluid power technology in the documentation enormously simplify the engineering processes as well as the processes for everyday manufacturing,” Kaltschmid says. Hauschel shared this view, and thus not only the electrical engineering and P&I, but also fluid power technology, with the help of Eplan Fluid, were depicted as part of the overall retrofit project.

sto-ronny-kaltschmidt
Ronny Kaltschmid (Kaltschmid Industrial Engineering) © Sto

Up-to-date documentation ensures high system availability

After nine months of planning and three months of construction work, the retrofitted systems went online for regular operations in January 2020. “Even during the planning phase, we implemented measures to ensure a quick changeover to the new production control systems,” says Hauschel, describing the tight schedule. “We had just two weeks for it.” Because of just-in-time production, the plant engineering team must be able to guarantee a system availability of 98.5 per cent at all times. The Sto specialists therefore ensure a round-the-clock on-call service. If there’s a problem in some part of the plant, an employee must be there within 30 minutes to make sure that production can be resumed as quickly as possible.

“That’s exactly why having documentation that is always up to date was one of our critical specifications,” Hauschel says. In practice, this specification means that in extreme cases, say at three in the morning, the documentation must clearly show where which component is installed and how it’s connected to the rest. “Eplan has no trouble fulfilling this requirement,” Hauschel says, visibly pleased. The tools thus help in visualising the projects and making them easier to understand. “One of the biggest advantages for us with this triumvirate of Eplan Preplanning, Electric P8 and Fluid is that we can make all the designs and carry out changes ourselves,” Hauschel says.

Enabling employees to work independently is another important factor in general for those in charge of day-to-day planning and automation operations. This also applies to the control cabinets from Rittal, which are standard components for Sto. “For these so very crucial components, our philosophy is that all trainees must have built a control cabinet themselves at least once,” Hauschel explains. “Because that’s the only way they will get an idea of what it means to saw, drill, thread and connect cabling. In my view, that’s indispensable.” Hauschel has now also rigorously transferred this concept from the hardware to the software: every employee should also be aware of how relevant reliable, centralised data is.

sto-control-valve
Integrating the fluid power engineering designs into the documentation using Eplan Fluid has not only accelerated engineering, it’s also simplified manufacturing, maintenance and repairs. © Sto

50 per cent time savings for everyday work

For data management, the Eplan tools were the frontrunners from the start of the project. “All data that is processed anywhere – whether texts, operations equipment labels or other notes – are exported from Eplan into other systems so that everything is always synchronised,” Hauschel says. Since changes to the process technology or the controls in production are part of the day-to-day business, he works with the tools daily: “Outlook, Teams, Eplan – those are the programs I open first thing every morning the moment I sit down at my desk, because I need them throughout the workday.”

Asked about the outcome of the decision to use Eplan Preplanning, Electric P8 and Fluid as a package deal, Hauschel is quick to answer: “The time savings is at least 50 per cent. After all, in the past we often had to walk through the plant to find the problems. Today we just look at the flow diagram and always immediately have a complete overview of the situation.” The fact that the pneumatic diagrams are integrated into the overall schematics makes everyday work even easier, he adds. “The jump function between the various disciplines is really nice,” Hauschel says.

sto-control-cabinet
A look into one of the plant’s control cabinets, which is now completely depicted in Eplan. The advantage of the triumvirate of Eplan Preplanning, Electric P8 and Fluid is that the Sto engineers can now also carry out all the planning and make changes themselves. © Sto

Efficiency in operations and beyond

“The system has also built up a foundation for communication,” Kaltschmid adds, referring to the advantages that go beyond production and Sto’s own employees – suppliers, maintenance firms and other service providers also benefit from the centralised, integrated data management. Hauschel confirms this: “The reliable database has made us more efficient, both internally and externally. If maintenance needs to be performed on a part of the plant, a PDF generated in Eplan gives the service provider a much more comprehensive overview than a list of the installed components could.”

Sto’s plant systems include more than 500 schematics in Eplan Electric P8. The P&I diagrams for three of the production plants have already been depicted in Eplan Preplanning, while 50 pneumatic diagrams have been entered into Eplan Fluid in their current states. “The system is continually growing,” says Hauschel – after all, changes and extensions are part of his daily work. “And now it’s impossible to imagine this daily work without Eplan.”

An overview – retrofit at Sto with Eplan
 

  • Retrofit of a production facility with throughputs of up to 1,000 tonnes per day
  • Depiction of the P&I diagrams for three production plants in Eplan Preplanning
  • More than 500 electrical schematics in Eplan Electric P8
  • Assured plant availability of 98.5 per cent
  • More than 50 per cent time savings for planning and automation


Author: Marius Schaub, freelance specialist journalist, Munich

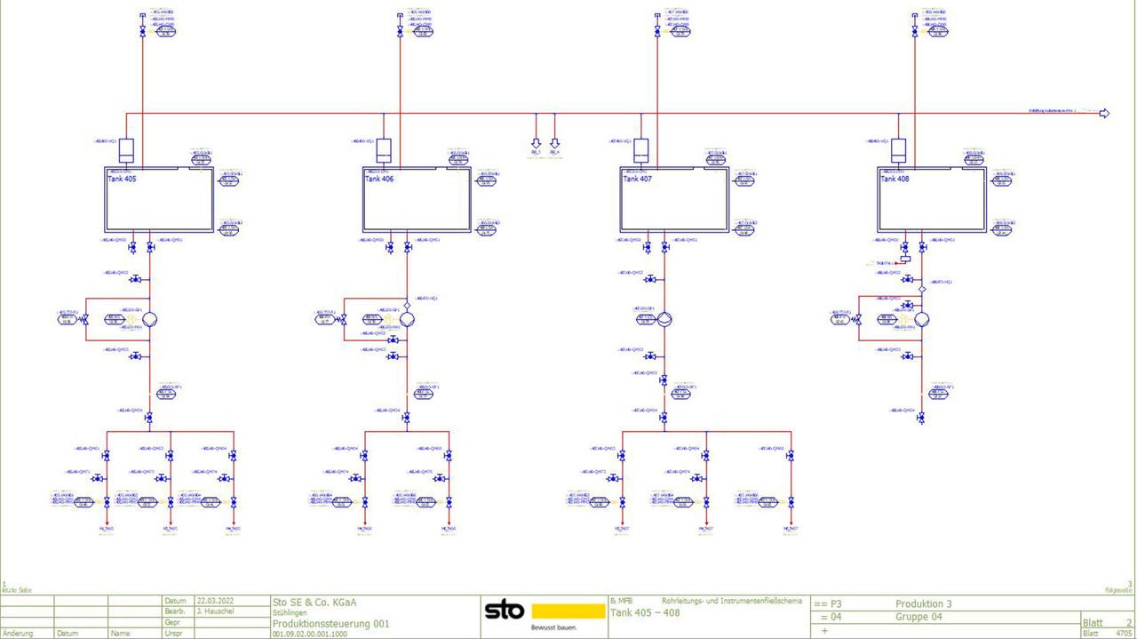
sto-tanks
Tanks and the connected instrumentation in the flow diagrams in Eplan Preplanning: whenever formulas are changed, Sto must regularly carry out conversion work to adapt the plant accordingly. © Sto